Получихте нова обява по филтър
Промяна на цена на наблюдавана обява
стара цена
нова цена
Вход
|
Нова Регистрация
Редакция на обява
ДОБАВИ ОБЯВА
Начало
Публикуване
Търсене
Новини
Rent-a-car
Дилъри
+ Още...
Моите обяви
НОВО ТЪРСЕНЕ
| КОРЕКЦИЯ НА ТЪРСЕНЕТО | РЕЗУЛТАТИ ОТ ТЪРСЕНЕТО
Предишна обява
|
Следваща обява
Увеличи
1
/
1
При запитване, Части за роторни трошачки - ОМ36
обл. Софиягр. Ботевград
Публикувана в 15:03 часа на 10.11.2025 год.
Обявата е видяна
52
пъти.
Моята бележка
Моята оценка
Съобщи за нередност
22:02 ч., 01.01.2026
Редактирай
Изтрий
Запиши
Отказ
Оценка:
от 10
22:02 ч., 01.01.2026
Невярна цена
Друга нередност
Съгласявам се с
общите условия
и
политики за защита на личните данни
Изпрати
Технически данни
Състояние
Нов
Дата на производство
ноември 2025
Текст на обявата
Продаваме резервни части за роторни трошачки - ОМ36 - НОВИ
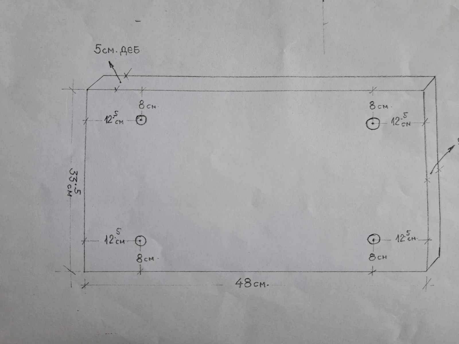
Набойни плочи за ОМ 36 480mm x 335mm, 50 mm дебелина 14 бр
Чукове за ОМ 36 хром 22 бр
Чукове за ОМ 36 манган 22 бр
Болтове за чукове 116 бр М24, L-160mm
Виж всички обяви в
patstroy.mobile.bg
Контакти с продавача
Пътстрой-92 АД
+ 359 2 902 69 80
В mobile.bg
от 2024 г.
https://patstroy.mobile.bg
Регион:
гр. София, Лозенец
Местоположение:
бул. Арсеналски 111
област Благоевград
област Бургас
област Варна
област Велико Търново
област Видин
област Враца
област Габрово
област Добрич
област Кърджали
област Кюстендил
област Ловеч
област Монтана
област Пазарджик
област Перник
област Плевен
област Пловдив
област Разград
област Русе
област Силистра
област Сливен
област Смолян
област София
област Стара Загора
област Търговище
област Хасково
област Шумен
област Ямбол
град София
ИЗПРАТИ ЗАПИТВАНЕ КЪМ ПРОДАВАЧА
Вашето име:
Вашия телефон:
Вашия е-mail:
Запитване:
Въведете кода:
Съгласявам се с
общите условия
и
политики за защита на личните данни
ИЗПРАТИ ЗАПИТВАНЕТО
Части за роторни трошачки - ОМ36
Обява: u1762779806784165
Намира се в гр. Ботевград
При запитване
История на цената
0886259905
Изпрати E-mail до продавача
ЗАПАЗИ ОБЯВАТА
Сподели:
Пътстрой-92 АД
гр. София, Лозенец
В mobile.bg
от 2024 г.
https://patstroy.mobile.bg
Още обяви в mobile.bg
Консумативи Други
7.67 €
15 лв.
София
Консумативи Други
Попитай
София
Консумативи Други
10.23 €
20 лв.
София
Консумативи Други
20.45 €
40 лв.
София
Обяви консумативи
Обяви консумативи други
Виж още обяви - Части
Части за Индустриални
Консумативи
Други
Части за роторни трошачки - ОМ36
Основни категории в mobile.bg:
Автомобили и Джипове
Бусове
Камиони
Мотоциклети
Селскостопански
Индустриални
Кари
Каравани
Яхти и Лодки
Ремаркета
Велосипеди
Части
Аксесоари
Гуми и джанти
Купува
Услуги
КОНТАКТИ
|
РЕКЛАМНИ БАНЕРИ
|
ПОМОЩ
|
ОБЩИ УСЛОВИЯ
|
КАРТА НА САЙТА
Въпроси и предложения към mobile.bg
Резон Медия
Имоти
Работа
Новини
Обяви
2002-2026 ® Copyright Rezon Ltd.
©
mobile.bg
ползва и препоръчва
хостинг услугите
на
Следвайте ни в: